Page 9 of 45
Re: De V6 Break van Breeze
Posted: Fri Jan 15, 2021 5:41 pm
by Feije
Ik heb bij mijn v6 de nokkenaskeerringen zelfs preventief meegenomen omdat ik vrij zeker wist dat ze de komende acht jaar toch wel een keer zouden gaan lekken. De krukaskeerring begon zelfs al te zweten, maar dat was dan ook nog de originele. Heb ik ook vervangen.
Overigens is zo’n c5-III dan wel groter dan je Xantia, maar hij is niet echt ruimer hoor

. Daarvoor kon je beter bij de oudere c5 zijn, vooral wat de kofferbak betreft. Fijne auto’s zijn het m.i. zeker wél. Als er maar veerbollen onder zitten!

Re: De V6 Break van Breeze
Posted: Fri Jan 15, 2021 5:42 pm
by Feije
Komt het tellerblok uit een viercilinder? Dan denk ik dat hij het aantal ontstekingen telt in plaats van de toeren. Zo kom je wel op de helft meer bij een v6 natuurlijk...
Re: De V6 Break van Breeze
Posted: Fri Jan 15, 2021 6:02 pm
by bthomas
Dat idee heb ik ook. Maar was er niet iemand die aan de snelheidsmeter kon zien of het voor een V6 is?
Re: De V6 Break van Breeze
Posted: Fri Jan 15, 2021 6:18 pm
by _rb_
Feije wrote: ↑Fri Jan 15, 2021 5:42 pm
Komt het tellerblok uit een viercilinder? Dan denk ik dat hij het aantal ontstekingen telt in plaats van de toeren. Zo kom je wel op de helft meer bij een v6 natuurlijk...
Ik schreef eerder
_rb_ wrote: ↑Thu Dec 31, 2020 2:34 pm
Breeze wrote: ↑Wed Dec 30, 2020 5:26 pm
..Ik denk dat ik ondertussen maar op zoek ga naar een Activa-tellerbak. Dat zou moeten passen.
Adri
T.i.: niet dat het de verzameling veel groter maakt, de tellerbak uit de 2.0 16v Exclusive BVM doet het ook in de V6.
Bij een '98ér Type2 V6 gaf een '99er 4 cylinder tellerbak geen probleem met de correcte weergave van het toerental. In de praktijk getest voor plusminus 50k km

.
Volgens mij is de V6 ook niet gewijzigd voor wat betreft de motor-electronica en de aansturing van het toerental.
Re: De V6 Break van Breeze
Posted: Fri Jan 15, 2021 6:23 pm
by henkr
Ik zou verwachten dat dit signaal op een of andere manier afkomstig is van de krukaspositiesensor.
Re: De V6 Break van Breeze
Posted: Fri Jan 15, 2021 6:45 pm
by Feije
bthomas wrote: ↑Fri Jan 15, 2021 6:02 pmwas er niet iemand die aan de snelheidsmeter kon zien of het voor een V6 is?
Aan de snelheidsmeter kun je zien of hij voor een v6 of Tct is, omdat die verder doorlopen (tot 240 ipv 220).
Als ik het bericht van _rb_ lees houdt mijn theorie dus geen steek. Toch wel apart dat hij ongeveer de helft meer aangeeft. Het zal toch niet inwendig een tellerblok van een diesel of zo zijn (met andere schaalverdeling)?
Overigens staat op mijn tellerblok wel specifiek dat hij voor een v6 is. Ik heb altijd gedacht dat dat te maken had met de waarschuwing voor de weinig koelvloeistof. Mijn Tct heeft een nagenoeg identiek tellerblok, maar er gaat geen rood lampje in de temperatuurmeter branden als er te weinig kvs in zit. Sterker nog: dat lampje is niet eens rood bij dat blok, maar geel. Bij de weinig kvs gaat alleen het STOP-lampje branden.
Re: De V6 Break van Breeze
Posted: Fri Jan 15, 2021 7:19 pm
by Breeze
Het lijkt me wel duidelijk, hij telt teveel vonkjes. Mijn inschatting was dat met de 240 km/h en de olietemperatuurmeter, het geheid een V6 tellerbak betrof. Jammer toch dat we niet meer even het onderdeelnummer op de Cit-Service website kunnen opzoeken. Oh wacht, het onderdeelnummer is voor zowel mijn oude als nieuwe tellerbak identiek, een SAGEM 216 2430-7. Dus dat is ook niet onderscheidend.
Gelukkig is het omwisselen van de toerenteller-aandrijfspoel een fluitje van een cent. Dus binnenkort het dashboard maar weer opengooien.
Adri
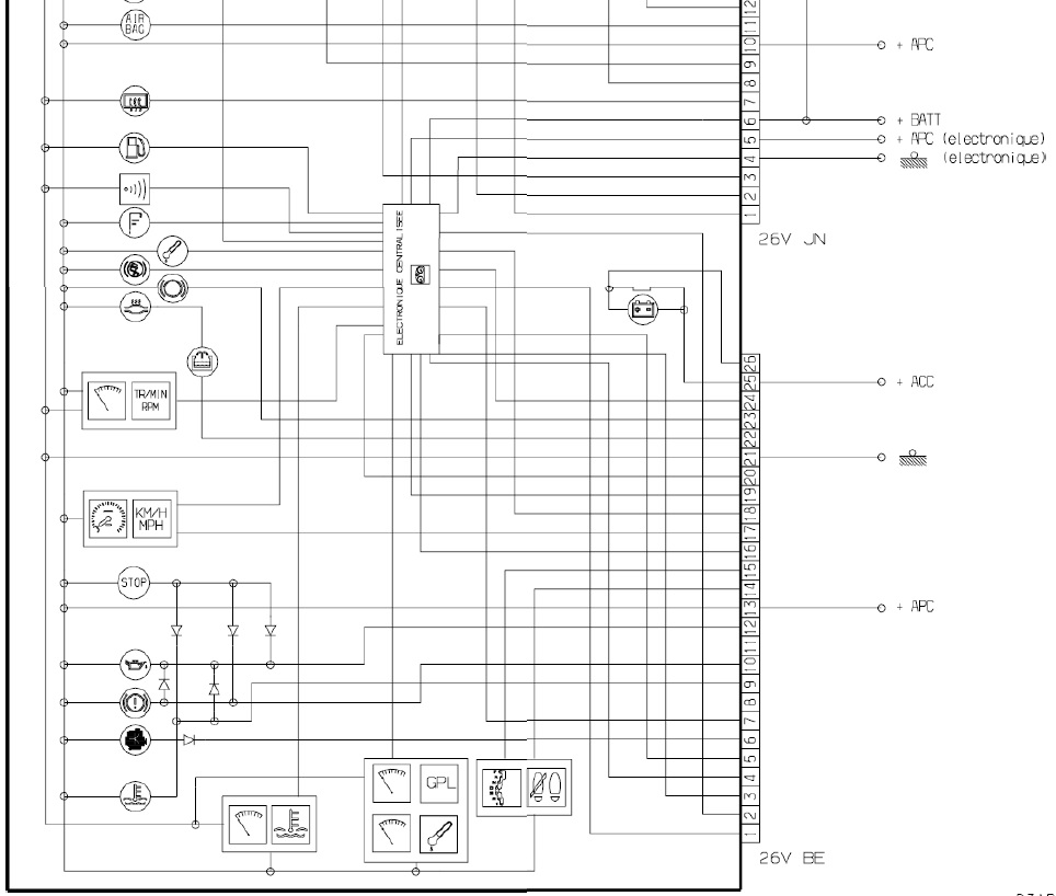
Re: De V6 Break van Breeze
Posted: Fri Jan 15, 2021 8:35 pm
by Breeze

- Instrumentenpaneel schema.jpg (139.27 KiB) Viewed 4250 times
Als ik dit heel schematische schema bekijk dan denk ik dat er wat intelligentie voor de toerenteller zit in de "electronique central". Dat zal wel een tsjippie zijn, dus dat betekent dat ik er niet ben met alleen het uitwisselen van de aandrijfspoel.
Zijn hier e-ers die dat kunnen bevestigen?
Adri
Re: De V6 Break van Breeze
Posted: Fri Jan 15, 2021 8:41 pm
by Breeze
Feije wrote: ↑Fri Jan 15, 2021 6:45 pmOverigens staat op mijn tellerblok wel specifiek dat hij voor een v6 is.
Mijn oude tellerbak is een loepzuivere V6 bak, maar met de beste wil van de wereld zie ik geen V6 aanduiding.
Kan jij vertellen / laten zien waar dat bij jou staat?
Adri
Re: De V6 Break van Breeze
Posted: Fri Jan 15, 2021 10:13 pm
by Alfred
Ik las dat de toerenteller 45% te veel aangeeft.
Is dat bij elke waarde 45% te veel, dus hoe hoger het toerental, hoe groter de fout in getal wordt?
Dan lijkt het dat de pulsjes verkeerd geteld worden.
Of is de afwijking van 45% bij stationair waargenomen en blijft de fout even groot bij hogere toerentallen? Ofwel een fout met vaste offset.
Dan is de naald misschien op het asje verschoven.